
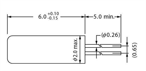
产品规格:


精工简介:
深圳市瑞泰电子是一家代理进口晶振品牌的供应商,在行业中,我们拥有的价格优势。我们的货源均来自正规渠道。我们拥有世界上的售后服务。瑞泰电子精英队伍等着您的来电咨询。以下是精工晶振的产品简介以及公司简介,如若有疑问处欢迎来电咨询我们。精工是一家专注于时钟行业的厂商,同时也开发和生产压电晶体这一块。而无论是做晶振还是其他与晶振行业或者时钟行业无关的企业标语也都带有“精工品质”?是否甚为疑惑,果真是因为精工手表闻名世界而取“精工”来强调该产品的精细工艺吗?这一点原因也是存在的,而真正的原因在于,精工时钟手表一类的 素来以走时精准闻名世界,也被各类行业人士所钟爱。而时钟中用到的32.768K晶振更是精工企业所认准的唯一时钟晶振。时钟的走时精准取决内置的32.768K晶振,精度高低与否。全球石英压电晶体闻名的品牌有,精工SEIKO,西铁城CITIZEN,爱普生EPSON,大真空KDS,四大品牌中都有32.768K系列的晶振,难道其余三款品牌就不亚于精工品质吗?众所皆知,西铁城也是一家制表企业,相对来说,两家的高精度32.768K都闻名世界? 只是早先精工32.768K就被世界认可,得到众多的好评,也是人们一直选择的理由。不难看出,“精工品质”正是由高精度的精工晶振而得来的了。


MC-146晶振,手机晶体,32.768K爱普生
C-002RX晶振_圆柱晶体_爱普生晶振
C-004R晶体,32.768K圆柱晶振,爱普生品牌
C-005晶体,32.768K圆柱晶振,EPSON正品
FC-13A晶体,32.768K晶振,3215封装
DST520晶振,32.768K晶振,KDS晶体
SFO-3225晶振,32.768K晶振,3225晶振,希华晶振
HSO321S晶振,32.768KHz有源晶振,加高晶振
大河TFX-02S晶振,3215贴片晶振,32.768KHz贴片晶振
TFX-03晶振,2012贴片晶振,32.768K晶振,大河晶振