?


详细参数:

串联电阻(ESR)

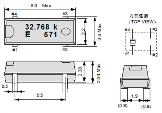
外部尺寸规格:

推荐焊盘尺寸:

爱普生简介:
EPSON爱普生公司成立于1942年5月,总部位于日本长野县诹访市,是数码映像领域的全球多企业。爱普生集团通过富有创新和创造力的文化,提升企业价值,致力于为客户提供数码影像创新技术和解决方案。爱普生拓优科梦是一家从事晶体元件的厂商,爱普生拓优科梦()运用长年积累的培育人工石英以及以加工为代表的、实现精微化、高精度、高品质的综合技术。 爱普生东洋集团研究出的小体积新产品,满足了市场要求严格等一些小型便携式的电子产品。爱普生东洋集团的本着一、绝不抄袭别人的东西,要开发唯我独有的强势技术,实现世间从无到有的创新;二、属于自己的创新产品和技术一定要注册成专利,从而使企业的合法利益获得保障的原则,令人敬佩。爱普生拓优科梦()将进一步究极用精微加工发挥“石英”材料的优越性能的“QMEMS”技术,创造出更小、更高性能或全新功能的元器件;同时,融合爱普生集团的半导体与软件技术增添便于使用、能让顾客更体验到利用价值的“解决方案”。通过上述工作,我们将为社会的发展以及实现更舒畅的未来而竭诚奉献。深圳市瑞泰电子是一家代理进口晶振品牌的供应商,在行业中,我们拥有的价格优势。我们的货源均来自正规渠道。我们拥有世界上的售后服务。瑞泰电子精英队伍等着您的来电咨询。

晶振在手机中的应用:

市场对元器件的要求

爱普生晶振的印字技术









MC-146晶振,手机晶体,32.768K爱普生
FC-12D晶体,石英晶振,EPSON晶振正品
FC-135晶体,32.768K晶振,原装爱普生晶振
DST410S晶振,KDS晶振.32.768K贴片晶体
DSX1612S晶振,24M晶振,1612晶振,KDS晶振
DST1210A时钟晶振_KDS晶振一级代理价格
DST1610A无源晶振_1.6*1.0mm石英晶振_KDS晶振
DST1610AL晶振_KDS晶振一级代理价格_四脚晶振
DST210AC无源晶振_KDS晶振_小尺寸晶振
DMX26S无源晶振_KDS石英晶振_KDS晶振代理商